 
        Advanced Robotics Executive Board
(Fall 2023 - Spring 2024)
Advanced Robotics (AR) is a registered student organization at the University of Texas at San Antonio. AR aspires to greatly enhance the prestige of the college of engineering at UTSA by providing professional mentorship, technical training, and imparting leadership qualities in its members. AR accepts all skill levels, embraces teamwork and diversity, and is dedicated to teaching its members beginning to advanced robotics. AR aims to inspire and greatly spark the passion for learning engineering within the UTSA college of engineering student body and local community.
To establish a premiere, esteemed robotics organization at UTSA for the purpose of creating an enhanced engineering education by providing technical and leadership experience through robotic project based applications, and industry research oriented collaborations.
 
        CAD Prototype
 
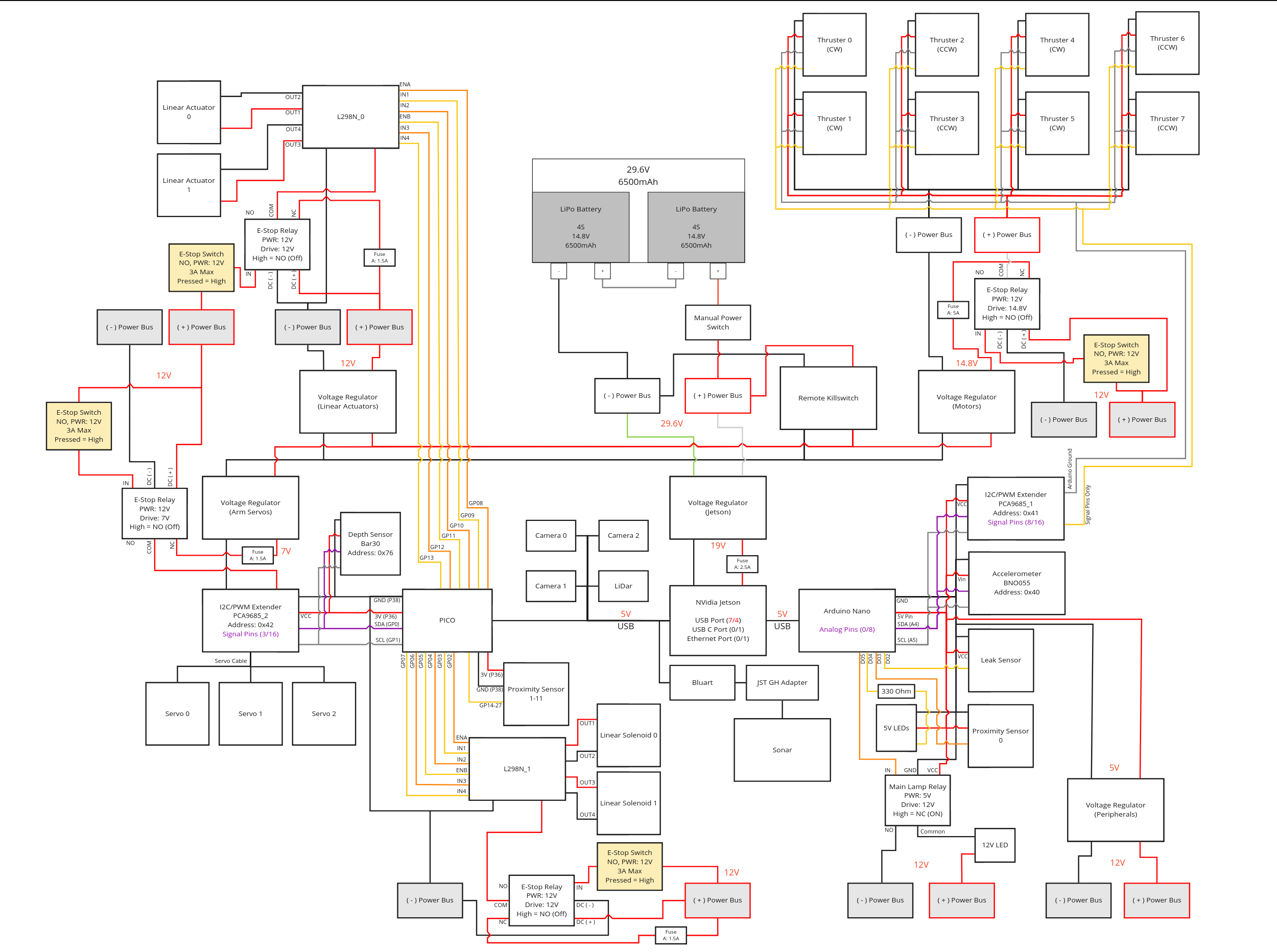
        Current AUV Model
 
 
         
             
             
             
            